Untuk mengatasi masalah inti dari toilet umum, seperti bau yang terus-menerus, pertumbuhan bakteri yang mudah, dan frekuensi pembersihan yang tinggi, sebuah kota di Singapura memperkenalkan asam hipoklorit Little Duck sebagai produk intinya dan menyesuaikan solusi terpadu yang sangat efisien dan adaptif untuk disinfeksi dan penghilangan bau toilet umum. Teknologi ini memberdayakan peningkatan lingkungan kesehatan masyarakat dan meningkatkan tingkat tata kelola kota yang lebih baik.


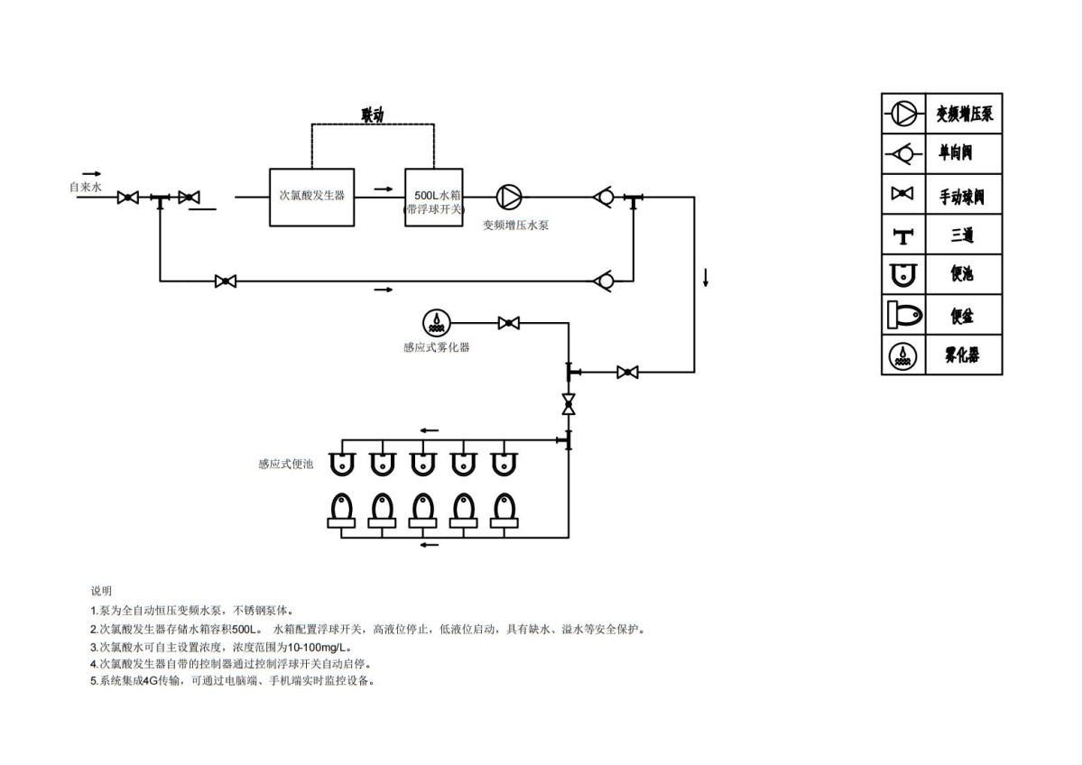
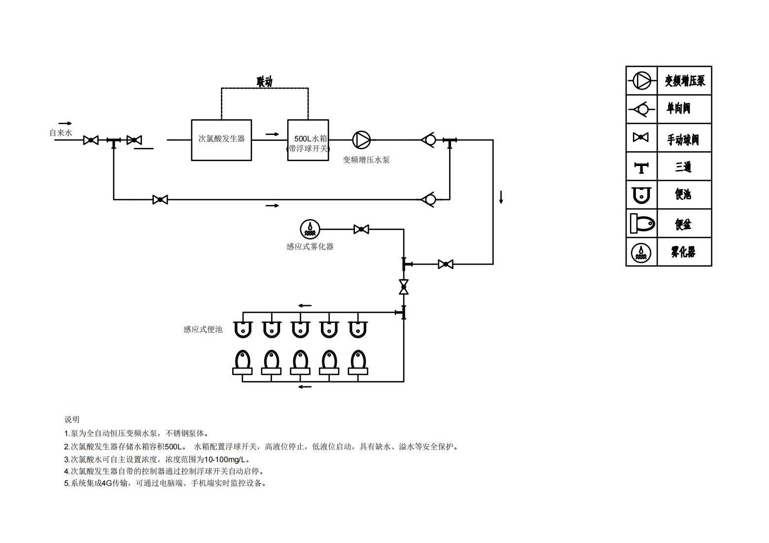
Inti dari solusi ini adalah generator asam hipoklorit skala kecil dari Little Duck, dikombinasikan dengan sistem penyemprotan otomatis berbasis sensor, sangat cocok untuk ruang instalasi terbatas yang dibutuhkan di toilet umum. Ukuran peralatan yang kompak menghemat ruang, tidak memerlukan modifikasi kompleks pada fasilitas yang ada, dan memungkinkan penyebaran cepat, secara signifikan mengurangi biaya konstruksi dan pemeliharaan. Menggunakan teknologi disinfeksi asam hipoklorit kelas medis Little Duck, solusi ini secara presisi mengontrol konsentrasi klorin efektif, mencapai disinfeksi dan penghilangan bau yang simultan dan efisien. Satu kali aplikasi memberikan efek yang bertahan 6-8 jam, secara efektif mengoksidasi dan mengurai molekul bau serta membunuh patogen di sumbernya, mencapai tingkat sterilisasi lebih dari 99,99%.
Selain itu, asam hipoklorit Little Duck bersifat sedikit asam, tidak mengiritasi, dan tidak meninggalkan residu, menjadikannya aman dan ramah lingkungan selama penggunaan, tanpa polusi sekunder. Solusi ini tidak hanya sepenuhnya menyelesaikan masalah bau yang terus-menerus di toilet umum tetapi juga secara efektif mengurangi risiko pertumbuhan bakteri, secara signifikan menurunkan frekuensi dan intensitas pembersihan manual, sehingga mencapai peningkatan ganda dalam kualitas lingkungan dan efisiensi operasional toilet umum. Solusi ini memberikan model praktis yang efisien dan dapat direplikasi untuk manajemen sanitasi ruang publik perkotaan.

BERITA
Tinggalkan pesan untuk kami





