DESKRIPSI PRODUK
Sistem Disinfeksi Skenario Lengkap Asam Hipoklorit untuk Peternakan Kuda
Generator Asam Hipoklorit untuk Disinfeksi Skenario Lengkap di Peternakan Kuda
Industri berkuda global berkembang pesat, menjadikan manajemen kebersihan dan pencegahan serta pengendalian biosekuriti di peternakan kuda sebagai tuntutan inti industri. Metode disinfeksi peternakan kuda tradisional (misalnya, kalium peroksimonosulfat, disinfektan berbasis glutaraldehida) memiliki beberapa kekurangan seperti efisiensi bakterisida yang rendah, iritasi, korosif terhadap perlengkapan dan peralatan kuda, bau residu, biaya penggunaan yang tinggi, dan tidak sesuai dengan standar lingkungan untuk peternakan modern. Selain itu, kuda memiliki sistem pernapasan yang sensitif, dan lingkungan peternakan sangat kompleks (kandang lembap, sering terjadi interaksi antara manusia dan kuda). Terdapat kebutuhan mendesak akan solusi disinfeksi profesional yang efisien, aman, tidak menyebabkan iritasi, ekonomis, praktis, dan sesuai untuk semua skenario di peternakan kuda. Solusi ini akan membantu peternakan kuda meningkatkan tingkat biosekuriti, mengoptimalkan biaya operasional, dan memenuhi standar tinggi peternakan kuda internasional.

Definisi Produk
Sistem disinfeksi skenario lengkap asam hipoklorit untuk peternakan kuda adalah solusi disinfeksi cerdas yang mengintegrasikan peralatan, skema, dan layanan. Komponen intinya meliputi generator asam hipoklorit (model utama + model fleksibel), peralatan penyimpanan dan pengiriman cairan, terminal atomisasi/pembilasan, dan pipa pendukung. Sistem ini menghasilkan air asam hipoklorit yang sedikit asam di tempat melalui teknologi elektrolisis tanpa diafragma (konsentrasi klorin yang dapat disesuaikan: 10-120 ppm), yang memiliki fitur sterilisasi spektrum luas dan efisiensi tinggi, aman dan tidak menyebabkan iritasi, penghilang bau dan pengurangan amonia, serta ekonomis dan praktis. Melalui atomisasi, penyemprotan, perendaman, pembilasan, dan metode lainnya, sistem ini mencakup semua skenario peternakan kuda termasuk kandang, lapangan olahraga, jalur personel, dan area kantor, dan juga cocok untuk kebutuhan khusus seperti air minum kuda dan perawatan luka. Tanpa residu dan tanpa korosi selama proses berlangsung, sistem ini melindungi kesehatan kuda dan peralatan kuda, membangun pertahanan biosekuriti komprehensif untuk peternakan kuda.

Parameter Produk (Model Inti)
Poin Penjualan Utama

1. Sterilisasi spektrum luas & efisiensi tinggi, membangun pertahanan biosekuriti yang solid : Air asam hipoklorit dapat membunuh 99,99% bakteri, virus, dan jamur dalam 30 detik, jauh melampaui disinfektan tradisional. Melalui tiga mekanisme—penetrasi fisik, inaktivasi kimia, dan pelepasan oksigen baru—ia sepenuhnya menghancurkan struktur patogen, secara efektif memblokir jalur penularan penyakit peternakan kuda, mengurangi kejadian penyakit pernapasan pada kuda, dan memenuhi standar biosekuriti peternakan kuda internasional.

2. Aman & tidak menyebabkan iritasi, melindungi manusia, kuda, dan peralatan : Komposisi air asam hipoklorit konsisten dengan produk alami sistem kekebalan tubuh hewan. Tidak korosif dan tidak meninggalkan residu, tidak menyebabkan iritasi pada saluran pernapasan dan kulit kuda, serta tidak merusak perlengkapan kulit dan peralatan logam. Terurai dengan cepat menjadi air dan oksigen setelah digunakan tanpa menghasilkan produk sampingan yang berbahaya, sesuai dengan norma perlindungan lingkungan dan keselamatan peternakan Uni Eropa, serta memenuhi persyaratan ekspor perdagangan luar negeri.
3. Penghilang bau dan pengurangan amonia yang signifikan, meningkatkan kualitas lingkungan : Dapat dengan cepat menguraikan molekul bau seperti amonia dengan tingkat penghilangan amonia > 70%, secara efektif mengatasi masalah kandang lembap dan bau yang menumpuk, mengoptimalkan kualitas udara di peternakan kuda, menciptakan lingkungan hidup yang nyaman bagi kuda, dan meningkatkan citra kualitas keseluruhan peternakan kuda.
4. Konsentrasi yang dapat disesuaikan, beradaptasi dengan kebutuhan semua skenario : Konsentrasi klorin yang tersedia dapat disesuaikan secara tepat dari 10 hingga 120 ppm dengan akurasi kontrol ±10 ppm, dan dapat diterapkan secara fleksibel sesuai dengan berbagai skenario (misalnya, 10 ppm untuk air minum kuda, 50 ppm untuk atomisasi kandang, 100 ppm untuk disinfeksi area kosong). Ini memberikan solusi lengkap untuk semua kebutuhan disinfeksi dan perawatan kuda di peternakan kuda.
5. Ekonomis & praktis, sangat mengurangi biaya operasional : Air asam hipoklorit diproduksi di tempat hanya dengan elektrolit khusus sebagai bahan habis pakai, dengan biaya serendah 0,06 CNY per liter, sekitar setengah dari biaya disinfektan tradisional. Peralatan beroperasi secara otomatis tanpa pencampuran dan pengenceran manual, dan staf biasa dapat menguasai pengoperasian setelah pelatihan sederhana. Hal ini juga mengurangi input tenaga kerja, yang dapat secara signifikan menurunkan biaya operasional peternakan kuda dalam penggunaan jangka panjang.
6. Adaptasi sistem yang fleksibel, menyeimbangkan kepraktisan dan skalabilitas : Dua skema desain sistem disediakan. Pipa atomisasi asli dapat digunakan kembali (biaya transformasi rendah, konstruksi cepat), atau sistem atomisasi tekanan tinggi baru dapat dibangun (kontrol zona yang lebih baik, cocok untuk peternakan kuda besar). Dilengkapi dengan model utama dan model fleksibel, peralatan dapat dikonfigurasi secara fleksibel sesuai dengan skala peternakan kuda dan diperluas sesuai kebutuhan di tahap selanjutnya.

7. Sesuai dengan sertifikasi internasional, ekspor tanpa khawatir : Model inti AQ-P300 memiliki sertifikasi CE, dan air asam hipoklorit yang dihasilkan diakui oleh lembaga internasional seperti FDA AS, EPA, USDA, Kementerian Kesehatan, Tenaga Kerja dan Kesejahteraan Jepang, dan Organisasi Kesehatan Dunia. Produk ini memenuhi standar disinfeksi untuk peternakan kuda di sebagian besar negara di dunia, tanpa hambatan kepatuhan untuk ekspor perdagangan luar negeri.

Skema Desain Sistem
I. Prinsip-prinsip Desain
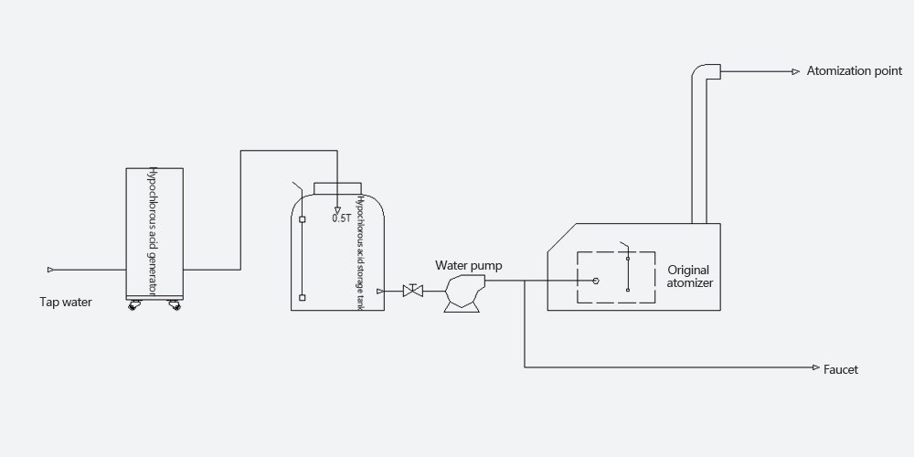
Dengan “efisiensi, stabilitas, kecerdasan, dan fleksibilitas” sebagai inti, bangun sistem pasokan dan disinfeksi asam hipoklorit yang disesuaikan dengan semua skenario peternakan kuda, memenuhi persyaratan berikut: ( 7 )
1. Kapasitas pasokan cairan yang memadai : Laju aliran total sistem ≥5L/menit, memenuhi kebutuhan pasokan cairan secara simultan untuk disinfeksi, air minum kuda, pembilasan peralatan, dan skenario lainnya;
2. Konsentrasi yang tepat dan stabil : Akurasi kontrol konsentrasi klorin yang tersedia adalah ±10ppm, dan nilai pH konstan dalam kisaran 5,0-6,5 untuk memastikan efek disinfeksi dan keamanan;
3. Kontrol cerdas otomatis sepenuhnya : Level cairan tangki penyimpanan terhubung dengan mulai dan berhentinya pompa air, dilengkapi alarm kesalahan otomatis, dan data operasi dapat diekspor dengan sekali klik untuk pengelolaan yang mudah;
4. Pasokan air dua saluran independen : Satu saluran memasok sistem atomisasi tekanan tinggi tetap untuk mewujudkan disinfeksi otomatis di seluruh area; saluran lainnya memasok terminal akses manual seperti keran dan pistol bilas untuk memenuhi kebutuhan disinfeksi yang fleksibel;
5. Pelengkap mobile yang fleksibel : Dilengkapi dengan mesin asam hipoklorit MINI-4G yang dipasang di dinding untuk mencakup berbagai skenario pengambilan air seperti aula depan dan area kantor, mengisi area yang tidak terjangkau oleh peralatan utama.
II. Pemilihan Dua Skema Sistem (Opsional Sesuai Permintaan)
Skema 1: Menggunakan kembali saluran atomisasi asli (pilihan yang hemat biaya)

1. Kondisi yang berlaku : Peternakan kuda dilengkapi dengan pipa pengatomisasi bertekanan tinggi dan fasilitas tangki air, tidak diperlukan transformasi skala besar, dan hanya disinfektan asam hipoklorit yang perlu dihubungkan ke sistem yang ada.
2. Keunggulan skema : Biaya transformasi terendah, periode konstruksi tercepat, memaksimalkan penggunaan kembali sumber daya fasilitas yang ada, mewujudkan disinfeksi seluruh area dengan cepat, cocok untuk peternakan kuda kecil dan menengah atau tempat dengan sistem pengatomisasi yang sudah ada.
3. Proses pengoperasian sistem : Generator asam hipoklorit menghasilkan disinfektan di lokasi → penyimpanan sementara dalam tong penyimpanan cairan → pengiriman oleh pompa pendorong frekuensi variabel tekanan konstan → distribusi ke terminal saluran ganda (① terhubung ke tangki air dan pipa atomisasi asli untuk mewujudkan penyemprotan otomatis area penuh yang terjadwal; ② terhubung ke keran dan pistol bilas untuk akses manual yang mudah kapan saja).
Skema 2: Membangun sistem atomisasi tekanan tinggi baru (pilihan yang lebih baik)

1. Skenario yang berlaku : Peternakan kuda tidak memiliki saluran penyemprotan yang sudah ada, atau membutuhkan kontrol zona independen untuk area yang berbeda seperti kandang, lapangan olahraga, dan area perkantoran, cocok untuk peternakan kuda besar atau tempat dengan persyaratan tinggi untuk ketelitian disinfeksi.
2. Keunggulan skema : Partikel kabut yang lebih halus dan cakupan yang lebih seragam; kontrol independen terhadap waktu penyemprotan dan konsentrasi di setiap area untuk mewujudkan manajemen yang lebih baik; stabilitas sistem yang lebih kuat, cocok untuk penggunaan skala besar jangka panjang.
3. Proses pengoperasian sistem : Tong penyimpanan cairan menyediakan sumber air → pemberian tekanan oleh pompa pendorong frekuensi variabel tekanan konstan → alat penyemprot bertekanan tinggi mengubah disinfektan menjadi partikel kabut halus → pengiriman tepat melalui pipa zonal → penyemprotan disinfektan oleh nosel di setiap area (kontrol manual/otomatis), dengan antarmuka yang disediakan untuk terminal akses manual secara bersamaan.
Skenario Aplikasi
Sistem ini banyak digunakan di berbagai peternakan kuda (klub berkuda profesional, basis pembiakan kuda, perguruan tinggi berkuda, arena pacuan kuda, dll.), mencakup semua skenario seperti kandang, lapangan olahraga, jalur personel, kantor, dan area tempat tinggal, mewujudkan solusi satu atap untuk disinfeksi, penghilangan bau, dan perawatan kuda:
1. Area kandang : Digunakan untuk penyemprotan atomisasi atau pembilasan bertekanan tinggi pada lantai, dinding, dan pagar kandang, membunuh bakteri yang berkembang biak di lingkungan lembap, menguraikan bau, mengurangi konsentrasi amonia, memperbaiki lingkungan kandang, dan melindungi kesehatan pernapasan kuda.
2. Lapangan olahraga : Digunakan untuk disinfeksi dengan penyemprotan pada lapangan olahraga dalam dan luar ruangan. Ditujukan untuk aktivitas silang yang sering terjadi antara manusia dan kuda, alat ini membunuh bakteri patogen di permukaan lapangan dengan frekuensi tinggi, memblokir risiko penularan melalui kontak, dan memastikan keamanan aktivitas manusia dan kuda.
3. Lorong Personel : Digunakan untuk disinfeksi dengan penyemprotan pada lorong-lorong sempit yang dilalui personel, membunuh bakteri patogen yang dibawa oleh personel dan memutus jalur polusi buatan; juga cocok untuk disinfeksi tangan, sol sepatu, dan pakaian personel, membangun garis pertahanan yang kuat untuk pencegahan dan pengendalian personel.
4. Area kantor/tempat tinggal : Digunakan untuk disinfeksi dengan penyemprotan atau usap pada area kantor, asrama, kantin, dan area lainnya, dengan disinfeksi menyeluruh setidaknya sekali seminggu untuk memastikan lingkungan yang segar dan aman serta melindungi kesehatan staf.
5. Bahan dan alat : Digunakan untuk merendam, menyeka, atau menyemprotkan disinfektan pada alat-alat kecil, bagian logam, perlengkapan kuda, produk kulit seperti kekang, dan karung pakan, mencegah bahan-bahan tersebut membawa bakteri patogen dan memperpanjang masa pakai perlengkapan kuda.
6. Perawatan khusus kuda : Digunakan untuk pengobatan bakteriostatik air minum kuda (konsentrasi 10 ppm), pembersihan tubuh kuda, pembilasan luka, dan perawatan pasca melahirkan pada induk kuda (konsentrasi 100 ppm). Aman dan tidak menyebabkan iritasi, membantu menjaga kesehatan kuda.
7. Area pertanian terkait : Digunakan untuk pembilasan dan disinfeksi bertekanan tinggi pada jalan pertanian dan parit pupuk kandang, pembersihan rutin untuk mengurangi perkembangbiakan bakteri; digunakan untuk penyemprotan disinfeksi kendaraan yang masuk dan keluar serta alat-alat pengangkut untuk mencegah pencemaran antar wilayah.
Pengaturan Waktu dan Frekuensi Aplikasi
Pengaturan Waktu Aplikasi Inti
1. Jadwal disinfeksi harian : Lakukan disinfeksi dengan penyemprotan pada kandang dan lapangan olahraga setiap hari pada siang hari (selama jeda aktivitas kuda) untuk menyeimbangkan penghilangan bau dan sterilisasi; lakukan disinfeksi menyeluruh pada jalur personel dan peralatan sebelum dan sesudah bekerja setiap hari.
2. Waktu disinfeksi khusus : Lakukan disinfeksi menyeluruh pada kandang kosong setelah kuda dipindahkan keluar/masuk; disinfeksi bahan dan peralatan segera setelah masuk ke peternakan; lakukan disinfeksi tepat waktu pada area persalinan dan induk kuda setelah melahirkan.
3. Jadwal perawatan rutin : Lakukan disinfeksi menyeluruh pada area kantor dan tempat tinggal seminggu sekali; lakukan pembilasan dan disinfeksi mendalam pada jalan pertanian dan parit pupuk kandang 1-2 kali seminggu; bersihkan dan disinfeksi sistem ventilasi dan peralatan penyimpanan cairan setiap bulan.
4. Waktu disinfeksi darurat : Segera lakukan disinfeksi menyeluruh pada area, peralatan, dan personel terkait ketika ditemukan gejala pernapasan abnormal atau penyakit yang dicurigai pada kuda untuk mencegah penyebaran penyakit.
Frekuensi Aplikasi yang Disarankan
1. Kandang/lapangan olahraga (dengan kuda) : konsentrasi 50 ppm, penyemprotan atomisasi, 1-2 kali sehari (disarankan pukul 12 siang);
2. Kandang/area kosong : konsentrasi 100 ppm, pembilasan bertekanan tinggi/penyemprotan menyeluruh, ventilasi dan keringkan selama ≥30 menit setelah disinfeksi, disinfeksi segera setelah setiap kelompok kuda dipindahkan keluar;
3. Area perkantoran/tempat tinggal : konsentrasi 30 ppm, penyemprotan atau pengelapan, setidaknya sekali seminggu;
4. Jalan pertanian/selokan pupuk kandang : konsentrasi 100 ppm, pembilasan/penyemprotan bertekanan tinggi, 1-2 kali seminggu;
5. Disinfeksi Personel : Tangan (30ppm), bilas atau rendam selama 30-60 detik, sekali sebelum memasuki bengkel/kandang, dan sekali setiap jam selama bekerja; Sol sepatu (50ppm), lewati tangki/alas disinfeksi dan diamkan selama ≥30 detik, ganti disinfektan setiap hari;
6. Disinfeksi material/peralatan : Peralatan kecil/bagian logam (50ppm), rendam selama ≥5 menit; Perlengkapan kuda/produk kulit (50ppm), lap dan bersihkan, disinfeksi setelah penggunaan harian; Material besar/karung pakan (50ppm), semprot disinfektan, segera pegang setelah masuk;
7. Perawatan kuda : Air minum (10ppm), tambahkan secara terus menerus ke pipa/tangki air; Pembersihan tubuh kuda/luka (100ppm), semprot atau bilas, gunakan sesuai kebutuhan; Perawatan pasca melahirkan pada induk kuda (100ppm), bilas/lap, sekali sehari dalam 3 hari setelah melahirkan.
Pertanyaan yang Sering Diajukan
1. T : Apakah air asam hipoklorit yang dihasilkan oleh sistem ini aman untuk kuda, apakah akan menyebabkan iritasi atau meninggalkan residu?
A : Produk ini sepenuhnya aman, tidak menyebabkan iritasi, dan tidak meninggalkan residu. Komposisi air asam hipoklorit sesuai dengan produk alami sistem kekebalan tubuh hewan. Produk ini tidak korosif dan tidak berbau, tidak menyebabkan iritasi pada saluran pernapasan dan kulit kuda; produk ini cepat terurai menjadi air dan oksigen setelah digunakan tanpa meninggalkan residu berbahaya, dan pada saat yang sama tidak menyebabkan kerusakan pada perlengkapan kulit dan peralatan logam, sepenuhnya sesuai dengan standar kesejahteraan hewan dalam peternakan kuda internasional.
2. T : Apakah efek bakterisida dari sistem ini dapat memenuhi persyaratan biosekuriti peternakan kuda, dan apa keunggulannya dibandingkan dengan disinfektan tradisional?
A : Produk ini sepenuhnya memenuhi persyaratan dengan keunggulan yang signifikan. Air asam hipoklorit dapat membunuh 99,99% bakteri, virus, dan jamur dalam 30 detik, dengan efisiensi bakterisida yang jauh lebih tinggi daripada disinfektan tradisional seperti kalium peroksimonosulfat dan glutaraldehida; produk ini juga memiliki fungsi penghilang bau dan pengurangan amonia (tingkat penghilangan amonia > 70%) untuk meningkatkan lingkungan yang stabil, sementara disinfektan tradisional hanya dapat membunuh bakteri, tidak dapat menghilangkan bau secara efektif, dan bersifat iritasi serta mudah meninggalkan residu.
3. T : Apakah sistem ini rumit untuk dioperasikan? Dapatkah staf peternakan kuda biasa menguasainya dengan cepat?
A : Pengoperasiannya sangat mudah dan tidak memerlukan teknisi profesional. Sistem ini mengadopsi kontrol cerdas otomatis sepenuhnya, dan model utamanya dilengkapi dengan antarmuka layar sentuh PLC. Disinfektan dapat disiapkan dengan sekali klik tanpa pencampuran dan pengenceran manual; sistem ini menampilkan informasi inti seperti status pengoperasian dan konsentrasi disinfektan dengan jelas, dan memiliki alarm kesalahan otomatis; staf biasa dapat mengoperasikannya dengan mahir setelah pelatihan sederhana (10-15 menit), dan perawatan harian hanya perlu membersihkan filter saluran masuk air tanpa operasi yang rumit.
4. T : Apakah biaya perawatan sistem ini tinggi? Apakah komponen perlu diganti secara berkala?
A : Biaya perawatannya sangat rendah dan tidak perlu sering mengganti komponen. Elektroliser peralatan inti AQ-P300 memiliki masa pakai ≥5000 jam, menggunakan elektroda titanium berlapis rutenium-iridium dan aksesori anti korosi dan tahan asam-basa dengan jaminan kualitas kelas industri; perawatan harian hanya memerlukan pembersihan sederhana pada filter saluran masuk air, yang dapat dilakukan oleh staf logistik biasa di peternakan kuda. Satu-satunya bahan habis pakai adalah elektrolit khusus, dengan harga serendah 0,06 CNY per liter, jauh lebih rendah daripada disinfektan tradisional, yang dapat menghemat banyak biaya dalam penggunaan jangka panjang.
5. T : Dapatkah sistem ini beradaptasi dengan skala dan fasilitas yang ada di berbagai peternakan kuda dan dapat disesuaikan secara fleksibel?
A : Sistem ini dapat diadaptasi sepenuhnya dan secara fleksibel. Kami menyediakan dua skema desain sistem: peternakan kuda dengan pipa atomisasi terpasang dapat memilih Skema 1 (menggunakan kembali fasilitas yang ada dengan biaya transformasi rendah), dan peternakan kuda tanpa sistem atomisasi yang ada atau peternakan kuda besar dapat memilih Skema 2 (membangun sistem baru dengan kontrol zona yang lebih baik); sistem ini juga dilengkapi dengan model utama dan model fleksibel yang dipasang di dinding, jumlah peralatan dapat ditambah atau dikurangi sesuai dengan skala peternakan kuda, dan diperluas sesuai permintaan di tahap selanjutnya, menyesuaikan dengan kebutuhan peternakan kuda dengan skala yang berbeda.
Jaminan Kinerja dan Layanan Purna Jual
1. Konstruksi dan penerimaan yang terstandarisasi : Mematuhi norma industri seperti Standar Higienis untuk Generator Asam Hipoklorit , mengontrol secara ketat lingkungan konstruksi (pasokan listrik yang stabil, sumber air bersih), melakukan inspeksi pabrik secara menyeluruh, dan melakukan penerimaan keandalan operasi terus menerus selama 72 jam di lokasi untuk memastikan tidak ada cacat saat pengiriman.
2. Layanan teknis lengkap : Memberikan panduan instalasi di lokasi dan layanan skema yang disesuaikan, peralatan inti menikmati garansi 12 bulan dan dukungan teknis seumur hidup; menyediakan pelatihan keterampilan profesional yang mencakup pengoperasian peralatan, pengaturan konsentrasi, penanganan kesalahan, dan norma keselamatan untuk memastikan pengguna menguasai pengoperasian dengan mahir.
3. Jaminan mutu : Peralatan inti terbuat dari material kelas industri dengan ketahanan korosi dan aus, elektroliser memiliki masa pakai ≥5000 jam, sistem berjalan stabil dengan tingkat kegagalan rendah; semua aksesori telah melewati penyaringan ketat, sesuai dengan standar kualitas internasional dan cocok untuk penggunaan industri jangka panjang.
Umpan balik pelanggan


KONSULTASI ONLINE
SARAN TERKAIT